www.LaserFX.com Home Page - CLICK HERE

  Home Page >>> Backstage Area >> Laser Show Systems > Pinouts

Search LaserFX.com - CLICK HERE Site Map - CLICK HERE
LaserFX.com Home Page
Backstage.LaserFX.com
Laser Safety
Laser Hobbyists
Laser Show Systems

Introduction

System Design

Scanning Systems

Support Equipment

Laser Graphics

Show Production

Pinouts

 
Standards and Practrices
Laser F/X Newsletter
Unclassified Ads
Business Issues
Laser Show Discussions
Archives and Download
Laser Show Resources
Updates Page - CLICK HERE
Member Services - CLICK HERE
LaserFX.com Banner Ads - CLICK HERE
About Laser F/X - CLICK HERE
Contact Us - CLICK HERE

 

Laser Show Systems - Pinouts

DISCLAIMER: The pinouts shown here were contributed by manufacturers, vendors and individuals. While every effort has been made to insure accuracy, LaserFX.com can not be responsible for any errors or omissions.

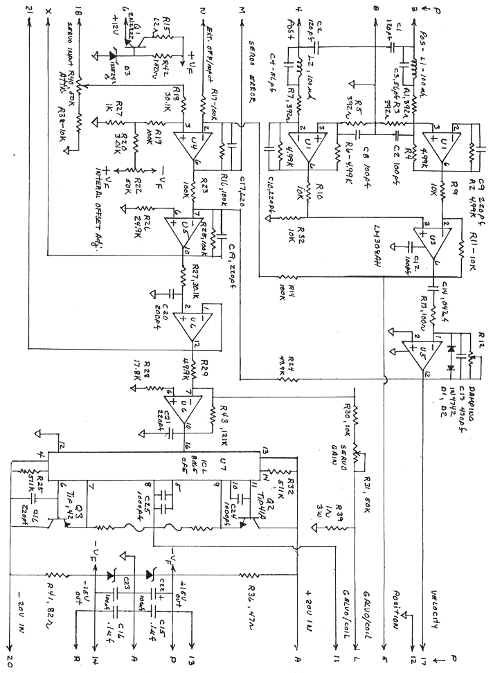
Tropel single channel scan amp - Large diagram

< BACK to Tropel single channel scan amp card

DISCLAIMER: Some of the information in the Backstage area is provided by the persons or companies named on the relevant page(s). Laser F/X does NOT endorse or recommend any products/services and is NOT responsible for the technical accuracy of the information provided.  We provide this information as a service to laserists using the Backstage area. 

 [ Introduction - System Design - Scanning Systems - Support Equipment - Laser Graphics - Show Production - Pinouts ]

 

© 1996-2008 Laser F/X International and LaserFX.com - All rights reserved.
Logos and trademarks are the property of their respective owners - used by permission.